HBA-YSB系列霍尔电流传感器
HBA-YSB系列霍尔电流传感器的初、次级之间是绝缘的,可用于测量直流、交流和脉冲电流。
电气参数 HBA300-YSB HBA500-YSB 额定输入电流 300 500 A 测量电流范围 600(±18V,51Ω) 1000(±18V,29Ω) A 测量电阻 with±15V @±300Amax 110(max) @±500Amax 100(max) Ω @±600Amax 36(max) @±1000Amax 25(max) Ω with±18V @±300Amax 130(max) @±500Amax 120(max) Ω @±600Amax 51(max) @±1000Amax 39(max) Ω 匝比 1:3000 1:5000 额定输出电流 100±0.5% mA 电源电压 ±15~±18 V 零电流失调 ±0.2 mA 电流失调温漂 -40℃~+85℃ ±0.5 mA 响应时间 ≤1 μS 线性度 ≤0.1 %FS 绝缘电压 50HZ,1min 6 KV di/dt跟随精度 >100 A/μS 带宽(-3dB) DC...100 KHz 次级线圈内阻 31 45 Ω 工作温度 -40~+85 ℃ 储存温度 -40~+125 ℃
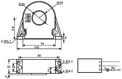
机械参数

使用说明 1、应用:通讯电源、不间断电源UPS、斩波器、电化学、整流、电源监测、电焊机、变频、开关电源、电池监测、电动机监测等领域。 2、在IP箭头方向流动时,IS是正向,初级导体温度不应超过100℃。 3、母排完全充满初级穿孔时动态表现(di/dt和响应时间)为最佳。 4、为了达到最佳的磁耦合,初级线匝应绕在传感器顶部。
下载详细资料 HBA-YSB.pdf
|