HBA-YP系列霍尔电流传感器
HBA-YP系列霍尔电流传感器是应用霍尔效应原理开发的新一代电流传感器,能在电隔离条件下测量直流、交流、脉冲以及各种不规则波形的电流。 电气参数 HBA50-YP HBA75-YP HBA100-YP HA200-YP 额定输入电流 50 75 100 200 A 测量电流范围 150(±18V,82Ω)225(±18V,68Ω) 300(±18V,51Ω)500(±18V,15Ω) A 匝比 1:1000 1:1500 1:2000 1:2000 次级线圈阻抗 30 45 55 55 Ω 额定输出电流 50±0.5% 50±0.5% 50±0.5% 100±0.5% mA 电源电压 ±12~±18 V 失调电流 ±0.2 mA 失调电流漂移 ≤±0.005 mA/℃ 线性度 ≤0.1 %FS 带宽(-3db) 0~200 KHz 响应时间 100A/us ≤1 uS 绝缘电压 50Hz,1min 3.0 KV 工作温度 -40~+85 ℃ 储存温度 -40~+125 ℃
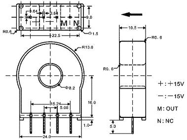
机械参数
 使用说明 1、应用:通讯电源、不间断电源UPS、斩波器、电化学、整流、电源监测、电焊机、变频、开关电源、电池监测、电动机监测等领域。 2、当待测电流从传感器穿过,即可以输出端测得电流大小。(注意:错误的接线可能导致传感器损坏) 3、可按用户需求定制不同额定输入和输出电流的传感器。
下载详细资料 HBA-YP.pdf |