|
太阳能热利用在我国已经非常普遍,主要表现在太阳能热水器的利用,这是中国发展最早和规模较大的一个可再生能源产业。

传感器是对风力发电系统各项参数进行拾取和采集的关键部件,在风力发电系统中具有重要作用。基于此,对风电场气象参数、风力发电机组状态参数和电气参数及监测所用传感器进行了。

电流传感器作为主要的检测元件,在其中起到至关重要的作用。

霍尔电流传感器开环系列
北京华智兴远的开环HKA系列电流传感器成功的应用于太阳能发电中,以下为此款产品的技术参数
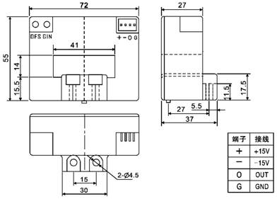
HKA-F2系列霍尔电流传感器的初、次级之间是绝缘的,可用于测量直流、交流和脉冲电流。
电气参数
HKA200-F2 HKA400-F2 HKA600-F2
HKA800-F2 HKA1000-F2
额定输入电流 200 400 600 800 1000 A
测量电流范围 400 800 1200 1600 2000 A
额定输出电压 4±1% V
电源电压 ±15±5% V
失调电压 25 mV
磁失调电压 ±30 mV
失调电压漂移 ≤±1 mV/℃
线性度 ≤1 %FS
响应时间 ≤7 μS
绝缘电压 50HZ,1min 2.5 KV
工作温度 -40~+85 ℃
储存温度 -40~+125 ℃
机械参数

|