|

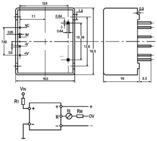
霍尔电电压传感器工作原理是原边电压Vp通过原边电阻R1转换为原边电流Ip,Ip产生的磁通量与霍尔电压经放大产生的副边电流Is通过副边线圈所产生的磁通量相平衡。副边电流Is精确地反映原边电压。
电压传感器一般都是输出交流信号。输出有电压型的,也有电流型的,电流型现场抗干扰能力较强。输出与输入之间的关系要看具体传感器型号。
 
下面是HV20-P系列电压传感器的参数。
其中此款电压传感器输出主要是电流信号20mA,其中HV25-P电压传感器输出 25 mA , HV100 电压传感器 50 mA输出。
HV20-P
额定输入有效值电流 10 mA
测量电流范围 20 mA
测量电阻 ±15V @±5mA 300(min) 750(max) Ω
@±10mA 150(min) 500(max) Ω
额定输出有效值电流 20±0.5% mA
电源电压 ±15 V
匝比 2000:1000
零电流失调 ±0.15 mA
电流失调温漂 -40~+85℃ ±0.6 mA
响应时间 40 μS
线性度 ≤0.2 %FS
绝缘电压 50HZ,1min 2.5 KV
初级线圈电阻 200 Ω
次级线圈电阻 100 Ω
工作温度 -40~+85 ℃
储存温度 -40~+125 ℃

机械参数
使用说明
电阻R1使传感器输入电流为额定初级电流时传感器有最佳精度,因此传感器应尽量测量与10mA的初级电流相对应的电压。
例如: 测电压VIN=250V
精度=±0.5% ofVIN(@Ta=+25℃) a)R1=50KΩ/5W,IP=5mA
精度=±1.0% ofVIN(@Ta=+25℃) b)R1=25KΩ/10W,IP=10mA
操作范围(推荐的)考虑到初级线圈的电阻(与R1相比,为保持温度差异近可能低)和隔离,此传感器适用于测量电压。
|